특징:
1. 피스톤로드의 정밀한 연마, 제품 품질에 대한 정밀한 연마를 사용하여 광범위한 응용 분야의 적응을위한 개선, 프론트 씰의 더 긴 수명.
2. 최적화는 생산 효율성을 설계하고 향상시킵니다.
3. 엔터프라이즈 색상 계획 및 새로운 구조 설계와 결합하여 스테인리스 스틸 시리즈 실린더는 반원형 그루브 경련으로 통합되었습니다.
4. 내장된 개스킷을 사용하여 충돌 후 피스톤의 압력 영역을 늘립니다.
내부 구조
부분품
| 숫자 | 이름 | 숫자 | 이름 |
| 1 | 피스톤로드 | 9 | O링 |
| 2 | 육각 너트 | 10 | 피스톤 씰 |
| 3 | 샤프트 씰 | 11 | 방지 씰 |
| 4 | 육각 너트 | 12 | 자석 |
| 5 | DU 베어링 | 13 | 피스톤 |
| 6 | 앞 표지 | 14 | 소켓 헤드 캡 나사 |
| 7 | 방지 방지 개스킷 | 15 | 뒷면 커버 |
| 8 | 배럴 |
주문 코드

*센서 모델 JEL-01, 스트랩 유형 "SKB-BORE", 특정 주문 코드는 P173을 참조하십시오.
사양
| 보어 (MM) | 12 | 16 | 20 | 25 | 32 | 40 |
| 작업 | 이중 연기 또는 단일 연기 | |||||
| 작동 매체 | 공기 | |||||
| 장착 | 기본 LB FA FB SDB | |||||
| 작동 압력 범위 | 0.1 ~ 1.0mpa | |||||
| 증거 압력 | 1.5 MPa | |||||
| 작동 온도 범위 | -20 ~ 80 ℃ | |||||
| 작동 속도 범위 | 50 ~ 800mm/s | |||||
| 쿠션 | 개스킷 쿠션 | |||||
| 포트 크기 | M5 × 0.8 | G1/8 " | ||||
스트로크
| 구경 | 표준 스트로크 | 맥스 스트로크 | |
| 엄마 | 12 | 15 20 25 30 40 50 60 75 80 100 125 150 160 175 200 250 | 200 |
| MA/MAC | 16/20/25/32/40 | 15 20 25 30 40 50 60 75 80 100 125 150 160 175 200 250 275 300 | 500 |
| MAD/MAJ | 12 | 15 20 25 30 40 50 60 75 80 100 125 150 160 175 200 250 | 250 |
| MAD/MAJ MACD/MACJ |
16/20/25/32/40 | 15 20 25 30 40 50 60 75 80 100 125 150 160 175 200 250 275 300 | 300 |
| MSA/MTA | 12 | 15 20 25 30 40 50 | 50 |
| 16 | 15 20 25 30 40 50 60 75 80 100 | 100 | |
| 25/32/40 | 15 20 25 30 40 50 60 75 80 100 125 150 | 150 | |
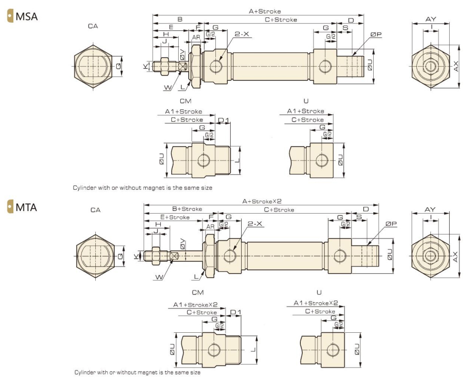
전체 치수

치수
| 보어/스트로크 | A | A1 | B | C | D | D1 | E | F | G | H | I | J | K | |||||||||
| 12 | 113 | 97 | 38 | 59 | 16 | 12 | 22 | 16 | 12 | 16 | 10 | 5 | M6×1 | |||||||||
| 16 | 114 | 98 | 38 | 60 | 16 | 12 | 22 | 16 | 12 | 16 | 10 | 5 | M6×1 | |||||||||
| 20 | 137 | 116 | 40 | 76 | 21 | 12 | 28 | 12 | 18 | 20 | 12 | 6 | M8×1.25 | |||||||||
| 25 | 141 | 120 | 44 | 76 | 21 | 14 | 30 | 14 | 16 | 22 | 17 | 6 | M10×1.25 | |||||||||
| 32 | 147 | 120 | 44 | 76 | 27 | 14 | 30 | 14 | 16 | 22 | 17 | 6 | M10×1.25 | |||||||||
| 40 | 150 | 123 | 46 | 77 | 27 | 14 | 32 | 14 | 16.7 | 24 | 19 | 7 | M12×1.25 | |||||||||
| 보어/스트로크 | L | P | Q | S | U | V | W | X | AR | AX | AY | |||||||||||
| 12 | M16×1.5 | 6 | 12 | 9.5 | 21 | 6 | 5 | M5×0.8 | 6 | 27.8 | 24 | |||||||||||
| 16 | M16×1.5 | 6 | 12 | 9 | 21 | 6 | 5 | M5×0.8 | 6 | 27.8 | 24 | |||||||||||
| 20 | M22×1.5 | 8 | 16 | 12 | 27 | 8 | 6 | G1/8 | 7 | 33.5 | 29 | |||||||||||
| 25 | M22×1.5 | 8 | 16 | 12 | 30 | 10 | 8 | G1/8 | 7 | 33.5 | 29 | |||||||||||
| 32 | M24×2 | 10 | 16 | 15 | 35 | 12 | 10 | G1/8 | 9 | 37 | 32 | |||||||||||
| 40 | M30×2 | 12 | 20 | 15 | 42 | 16 | 14 | G1/8 | 9 | 46 | 40 | |||||||||||
전체 치수
치수
| 상징 | A | A1 | B | C | D | D1 | E | F | G | |||||||||||||||||
| 보어/스트로크 | 0-50 | 50-100 | 100-150 | 0-50 | 50-100 | 100-150 | 0-50 | 50-100 | 100-150 | |||||||||||||||||
| 12 | 138 | - | - | 122 | - | - | 38 | 84 | - | - | 16 | 12 | 22 | 16 | 12 | |||||||||||
| 16 | 139 | 164 | - | 123 | 148 | - | 38 | 85 | 110 | - | 16 | 12 | 22 | 16 | 12 | |||||||||||
| 20 | 162 | 187 | 212 | 141 | 166 | 191 | 40 | 101 | 126 | 151 | 21 | 12 | 28 | 12 | 18 | |||||||||||
| 25 | 166 | 191 | 216 | 145 | 170 | 195 | 44 | 101 | 126 | 151 | 21 | 14 | 30 | 14 | 16 | |||||||||||
| 32 | 172 | 197 | 222 | 145 | 170 | 195 | 44 | 101 | 126 | 151 | 27 | 14 | 30 | 14 | 16 | |||||||||||
| 40 | 175 | 200 | 225 | 148 | 173 | 198 | 46 | 102 | 127 | 152 | 27 | 14 | 32 | 14 | 16.7 | |||||||||||
| 보어/기호 | H | I | J | K | L | P | Q | S | U | V | W | X | AR | AX | AY | |||||||||||
| 12 | 16 | 10 | 5 | M6×1 | M16×1.5 | 6 | 12 | 9.5 | 21 | 6 | 5 | M5×0.8 | 6 | 27.8 | 24 | |||||||||||
| 16 | 16 | 10 | 5 | M6×1 | M16×1.5 | 6 | 12 | 9 | 21 | 6 | 5 | M5×0.8 | 6 | 27.8 | 24 | |||||||||||
| 20 | 20 | 12 | 6 | M8×1.25 | M22×1.5 | 8 | 16 | 12 | 27 | 8 | 6 | G1/8 | 7 | 33.5 | 29 | |||||||||||
| 25 | 22 | 17 | 6 | M10×1.25 | M22×1.5 | 8 | 16 | 12 | 30 | 10 | 8 | G1/8 | 7 | 33.5 | 29 | |||||||||||
| 32 | 22 | 17 | M10×1.25 | M24×2 | 10 | 16 | 5 | 35 | 12 | 10 | G1/8 | 6 | 37 | 32 | ||||||||||||
| 40 | 24 | 19 | 7 | M12×1.25 | M30×2 | 12 | 20 | 5 | 42 | 16 | 14 | G1/8 | 9 | 46 | 40 | |||||||||||
전체 치수
치수
|
보어 상징 |
A |
A1 |
B |
B1 |
C |
E |
E1 |
F |
G |
H |
I |
J |
K |
L |
U |
V |
W |
X |
AR |
AX |
AY |
Y |
|
12 |
135 |
135 |
38 |
37 |
59 |
22 |
21 |
16 |
12 |
16 |
10 |
5 |
M6x1 |
M16x1.5 |
21 |
6 |
5 |
M5x0.8 |
6 |
27.8 |
24 |
6 |
|
16 |
136 |
135 |
38 |
37 |
60 |
22 |
21 |
16 |
12 |
16 |
10 |
5 |
M6x1 |
M16x1.5 |
21 |
6 |
5 |
M5x0.8 |
6 |
27.8 |
24 |
6 |
|
20 |
156 |
153 |
40 |
37 |
76 |
28 |
25 |
12 |
18 |
20 |
12 |
6 |
M8x1.25 |
M22x1.5 |
27 |
8 |
6 |
G1/8 |
7 |
33.5 |
29 |
8.5 |
|
25 |
164 |
161 |
44 |
41 |
76 |
30 |
27 |
14 |
16 |
22 |
17 |
6 |
M10x1.25 |
M22x1.5 |
30 |
10 |
8 |
G1/8 |
7 |
33.5 |
29 |
9.5 |
|
32 |
164 |
161 |
44 |
41 |
76 |
30 |
27 |
14 |
16 |
22 |
17 |
6 |
M10x1.25 |
M24x2 |
35 |
12 |
10 |
G1/8 |
9 |
37 |
32 |
11.5 |
|
40 |
169 |
166 |
46 |
42 |
77 |
32 |
28 |
14 |
16.7 |
24 |
19 |
7 |
M12x1.25 |
M30x2 |
42 |
16 |
14 |
G1/8 |
9 |
46 |
40 |
14 |