특징:
1. 피스톤로드의 정밀한 연마, 제품 품질에 대한 정밀한 연마를 사용하여 광범위한 응용 분야의 적응을위한 개선, 프론트 씰의 더 긴 수명.
2. 최적화는 생산 효율성을 설계하고 향상시킵니다.
3. 엔터프라이즈 색상 계획 및 새로운 구조 설계와 결합하여 스테인리스 스틸 시리즈 실린더는 반원형 그루브 경련으로 통합되었습니다.
4. 안정화에서 버퍼링 기능을 보장하기 위해 실린더 쿠션 구조의 처리 기술 변경.
5. 버퍼링 미세 조정 범위를 개선하고 고객이 버퍼 스로틀 속도를보다 쉽게 조정할 수 있도록합니다.
내부 구조
부분품
| 숫자 | 이름 | 숫자 | 이름 |
| 1 | 피스톤로드 | 9 | 통 |
| 2 | 육각 너트 | 10 | 피스톤 |
| 3 | 샤프트 씰 | 11 | 피스톤 씰 |
| 4 | 육각 너트 | 12 | 방지 씰 |
| 5 | DU 베어링 | 13 | 자석 |
| 6 | 앞 표지 | 14 | 소켓 헤드 캡 나사 |
| 7 | 방지 방지 개스킷 | 15 | 쿠션 |
| 8 | 쿠션 | 16 | 뒷면 커버 |
주문 코드

*센서 모델 JEL-01, 스트랩 유형 "SKB-BORE", 특정 주문 코드는 P173을 참조하십시오.
사양
|
보어 (MM) |
16 |
20 |
25 |
32 |
40 |
|
작업 |
이중 연기 |
||||
|
작동 매체 |
공기 |
||||
|
장착 |
기본 LB FA FB SDB |
||||
|
작동 압력 범위 |
0.1 〜1.0mpa |
||||
|
증거 압력 |
1.5 MPa |
||||
|
작동 온도 범위 |
-20 〜80 ℃ |
||||
|
작동 속도 범위 |
50-800mm/s |
||||
|
쿠션 |
조정 가능한 공기 쿠션 |
||||
|
포트 크기 |
M5x0.8 |
G1/8 " |
|||
스트로크
| 구경 | 표준 스트로크 | 맥스. 스트로크 | |
| DSN | 16/20/25/32/40 | 15 20 25 30 40 50 60 75 80 100 125 150 160 175 200 250 275 300 | 500 |
| DSND/DSNJ | 16/20/25 | 15 20 25 30 40 50 60 75 80 100 125 150 160 175 200 250 275 300 | 300 |
| 32/40 | 15 20 25 30 40 50 60 75 80 100 125 150 160 175 200 250 275 300 | 300 | |
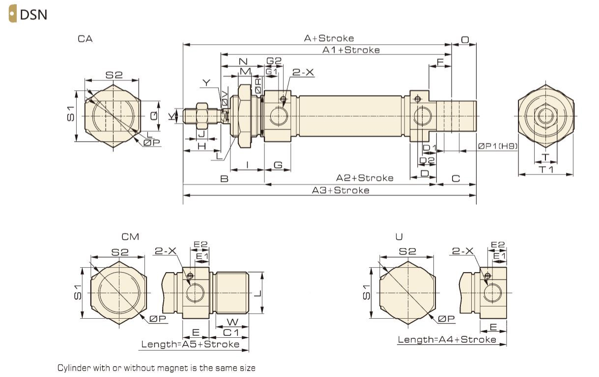
전체 치수

치수
|
보어 \ 기호 |
A |
A1 |
A2 |
A3 |
A4 |
A5 |
B |
C |
C1 |
D |
D1 |
D2 |
E |
E1 |
E2 |
F |
G |
G1 |
G2 |
H |
I |
|
16 |
98 |
82 |
55 |
111 |
92 |
111 |
37 |
19 |
19 |
10.5 |
6 |
7 |
10.5 |
6 |
7 |
9 |
10.5 |
6 |
7 |
16 |
16 |
|
20 |
115 |
95 |
64 |
128 |
107 |
128 |
43 |
21 |
21 |
14 |
7.5 |
10 |
14 |
7.5 |
10 |
9 |
14 |
7.5 |
10 |
20 |
18 |
|
25 |
126 |
104 |
66 |
137 |
116 |
137 |
50 |
21 |
21 |
15 |
8 |
10.5 |
15 |
8 |
10.5 |
12 |
15 |
8 |
10.5 |
22 |
22 |
|
32 |
135 |
113 |
72 |
147 |
120 |
132 |
48 |
27 |
12 |
17 |
8.5 |
12 |
17 |
8.5 |
12 |
15 |
17 |
8.5 |
12 |
22 |
18 |
|
40 |
138 |
115 |
72 |
150 |
123 |
136 |
51 |
27 |
14 |
16 |
8 |
11.5 |
16 |
8 |
11.5 |
15 |
16 |
8 |
11.5 |
23 |
20 |
|
보어 \ 기호 |
J |
K |
L |
M |
N |
O |
P |
P1 |
Q |
R |
S1 |
S2 |
T |
T1 |
X |
V |
W |
Y |
|
16 |
5 |
M6x1 |
M16x1.5 |
6 |
21 |
13 |
21 |
6 |
12 |
16 |
19 |
19 |
10 |
24 |
M5x0.8 |
6 |
15.5 |
5 |
|
20 |
6 |
M8x1.25 |
M22x1.5 |
7 |
23 |
13 |
30 |
8 |
16 |
22 |
27 |
28.5 |
14 |
29 |
G1/8 |
8 |
17.5 |
6 |
|
25 |
6 |
M10x1.25 |
M22x1.5 |
7 |
28 |
11 |
30 |
8 |
16 |
22 |
27 |
28.5 |
17 |
29 |
G1/8 |
10 |
17.5 |
8 |
|
32 |
6 |
M10x1.25 |
M27x2 |
9 |
26 |
12 |
38 |
10 |
20 |
27 |
35 |
36.5 |
17 |
36 |
G1/8 |
12 |
8 |
10 |
|
40 |
8 |
M14x1.5 |
M33x2 |
9 |
28 |
12 |
45 |
10 |
20 |
33 |
42 |
43.5 |
22 |
45 |
G1/4 |
16 |
10 |
14 |
전체 치수
치수
|
보어 \ 기호 |
A |
A1 |
A2 |
B |
B1 |
C |
D |
G |
G1 |
G2 |
H |
I |
J |
K |
L |
M |
T |
T1 |
V |
X |
|
16 |
129 |
55 |
129 |
21 |
21 |
13 |
5 |
10.5 |
6 |
7 |
16 |
16 |
5 |
M6x1 |
M16x1.5 |
6 |
10 |
24 |
6 |
M5x0.8 |
|
20 |
150 |
64 |
150 |
27 |
25 |
14.5 |
6 |
14 |
7.5 |
10 |
20 |
18 |
6 |
M8x1.25 |
M22x1.5 |
7 |
14 |
29 |
8 |
G1/8 |
|
25 |
166 |
66 |
165 |
28 |
27 |
18.5 |
8 |
15 |
8 |
10.5 |
22 |
22 |
6 |
M10x1.25 |
M22x1.5 |
7 |
17 |
29 |
10 |
G1/8 |
|
32 |
168 |
72 |
165 |
30 |
27 |
14 |
10 |
17 |
8.5 |
12 |
22 |
18 |
6 |
M10x1.25 |
M27x2 |
9 |
17 |
36 |
12 |
G1/8 |
|
40 |
174 |
72 |
172 |
31 |
29 |
16 |
14 |
16 |
8 |
11.5 |
23 |
20 |
8 |
M14x1.5 |
M33x2 |
9 |
22 |
45 |
16 |
G1/4 |
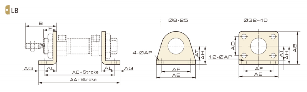
전체 치수
치수
|
상징 |
B | C (DN s DSN 시리즈) |
C (DS/DT 시리즈) | BB | BC | BD | BE | BF | BP | F | ||
| 보어 스트로크 | 0-50 | 50-100 | 100-150 | |||||||||
| 8 | 28 | 46 | 71 | - | - | 3 | 22 | - | 40 | 30 | 4.5 | 12 |
| 10 | 28 | 46 | 71 | - | - | 3 | 22 | - | 40 | 30 | 4.5 | 12 |
| 12 | 38 | 50 | 75 | - | - | 4 | 30 | - | 52 | 40 | 5.5 | 17 |
| 16 | 37 | 55 | 80 | 105 | - | 4 | 30 | - | 52 | 40 | 5.5 | 16 |
| 20 | 43 | 64 | 89 | 114 | 139 | 5 | 40 | - | 66 | 50 | 6.6 | 16 |
| 25 | 50 | 66 | 91 | 116 | 141 | 5 | 40 | - | 66 | 50 | 6.6 | 22 |
| 32 | 48 | 72 | 97 | 122 | 147 | 5 | 45 | 20 | 80 | 60 | 7 | 18 |
| 40 | 51 | 72 | 97 | 122 | 147 | 5 | 50 | 30 | 100 | 80 | 9 | 20 |
전체 치수

치수
|
상징 |
B |
AA (DN n DSN 시리즈) |
AA (DS/DT 시리즈) |
AB |
AC (DN 、 DSN 시리즈) |
AC (DS/DT 시리즈) |
AD |
AE |
AF |
AH |
AL |
AP |
AQ |
AT |
F |
||||
|
보어 스트로크 |
0-50 |
50-100 |
100-150 |
0-50 |
50-100 |
100-150 |
|||||||||||||
|
8 |
28 |
78 |
103 |
- |
- |
- |
68 |
93 |
- |
- |
- |
35 |
25 |
16 |
11 |
4.5 |
5 |
3 |
12 |
|
10 |
28 |
78 |
103 |
- |
- |
- |
68 |
93 |
- |
- |
- |
35 |
25 |
16 |
11 |
4.5 |
5 |
3 |
12 |
|
12 |
38 |
90 |
115 |
- |
- |
- |
78 |
103 |
- |
- |
- |
42 |
32 |
20 |
14 |
5.5 |
6 |
4 |
17 |
|
16 |
37 |
95 |
120 |
145 |
- |
- |
83 |
108 |
133 |
- |
- |
42 |
32 |
20 |
14 |
5.5 |
6 |
4 |
16 |
|
20 |
43 |
114 |
139 |
164 |
189 |
- |
98 |
123 |
148 |
173 |
- |
54 |
40 |
25 |
17 |
6.6 |
8 |
5 |
16 |
|
25 |
50 |
116 |
141 |
166 |
191 |
- |
100 |
125 |
150 |
175 |
- |
54 |
40 |
25 |
17 |
6.6 |
8 |
5 |
22 |
|
32 |
48 |
118 |
143 |
168 |
193 |
49 |
104 |
129 |
154 |
179 |
28 |
66 |
52 |
28 |
16 |
7 |
7 |
5 |
18 |
|
40 |
51 |
132 |
157 |
182 |
207 |
58 |
112 |
137 |
162 |
187 |
30 |
80 |
60 |
33 |
20 |
9 |
10 |
5 |
20 |
전체 치수
치수
| 상징 |
D |
Q |
CA |
CB (MAK 시리즈) |
CB (MSAL/MTAL 시리즈) |
CD |
CF |
CH |
CT |
CP |
CQ |
||
|
보어 스트로크 |
0-50 |
50-100 |
100-150 |
||||||||||
|
8 |
11.3 |
8.1 |
17.3 |
76 |
101 |
- |
- |
20 |
12.5 |
24 |
2.5 |
4.5 |
13.1 |
|
10 |
11.3 |
8.1 |
17.3 |
76 |
101 |
- |
- |
20 |
12.5 |
24 |
2.5 |
4.5 |
13.1 |
|
12 |
13 |
12.1 |
23.3 |
91 |
116 |
- |
- |
25 |
15 |
27 |
3 |
5.5 |
18.1 |
|
16 |
13 |
12.1 |
23.3 |
98 |
123 |
148 |
- |
25 |
15 |
27 |
3 |
5.5 |
18.1 |
|
20 |
16 |
16.1 |
30 |
115 |
140 |
165 |
190 |
32 |
20 |
30 |
4 |
6.5 |
24.1 |
|
25 |
16 |
16.1 |
30 |
126 |
151 |
176 |
201 |
32 |
20 |
30 |
4 |
6.5 |
24.1 |
|
32 |
19.5 |
20.1 |
34.6 |
135 |
160 |
185 |
210 |
41 |
24 |
35 |
4 |
9 |
28.1 |
|
40 |
26 |
20.1 |
36.6 |
138 |
163 |
188 |
213 |
52 |
30 |
40 |
5 |
9 |
30.1 |
전체 치수
치수
|
모델 |
NB |
NC |
ND |
NE |
NF |
NG |
NH |
NM |
구경 |
8 |
10 |
12 |
16 |
20 |
25 |
32 |
40 |
|
F-M04070I |
10 |
4 |
16 |
21 |
7 |
6 |
M4X0.7 |
4 |
적응 된 피팅 양식 |
√ |
√ |
||||||
|
F-M06100I |
12 |
5 |
21 |
28 |
8.5 |
8 |
M6X1 |
6 |
√ |
√ |
|||||||
|
F-M08125I |
16 |
8 |
30 |
40 |
11 |
15 |
M8X1.25 |
8 |
√ |
||||||||
|
F-M10125I |
20 |
10 |
40 |
52 |
15 |
18 |
M10x1.25 |
10 |
√ |
√ |
|||||||
|
F-M12125I |
24 |
12 |
48 |
62 |
24 |
18 |
M12x1.25 |
12 |
|||||||||
|
F-M14150I |
28 |
14 |
56 |
72 |
28 |
21 |
M14X1.5 |
14 |
√ |
전체 치수
치수
|
모델 |
KK |
B |
CE |
CM |
CR |
CW |
D1 |
G |
LE |
|
|
F-M04070CK |
M4X0.7 |
8 |
16 |
4 |
21 |
4 |
8 |
11 |
8 |
DSN8 、 DSN10 |
|
F-M06100CK |
M6X1 |
12 |
24 |
6 |
31 |
6 |
10 |
16 |
12 |
DSN12 2 DSN16 |
|
F-M08125CK |
M8X1.25 |
16 |
32 |
8 |
42 |
8 |
14 |
20 |
16 |
DSN20 |
|
F-M10125CK |
M10x1.25 |
20 |
40 |
10 |
52 |
10 |
18 |
25.5 |
20 |
DSN25 5 DSN32 |
|
F-M12125CK |
M12x1.25 |
24 |
48 |
12 |
62 |
12 |
20 |
29.5 |
24 |
|
|
F-M14150CK |
M14X1.5 |
27 |
56 |
14 |
72 |
14 |
24 |
29.5 |
28 |
DSN40 |
|
F-M16150CK |
M16x1.5 |
32 |
64 |
16 |
83 |
16 |
26 |
38.5 |
32 |
|
|
F-M20150CK |
M20X1.5 |
40 |
80 |
20 |
105 |
20 |
34 |
47 |
40 |