주문 코드

상징
사양
| 모델 | ST-01 | ST-02 | ST-03 | ST-04 | ST-06 | ST-08 |
| 작동 매체 | 공기 | |||||
| 효과적인 단면 영역 | G1/8 " | G1/4 " | G3/8 " | G1/2 " | G3/4 " | G1 " |
| 포트 크기 | 7.5mm² | 21mm² | 40mm² | 60mm² | 110mm² | 190mm² |
| 작동 압력 | 0 ~ 1.0mpa | |||||
| 주변 온도 | -20 ~ 70℃ | |||||
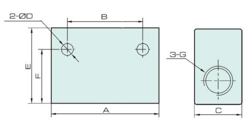
전체 치수

치수
|
모델/기호 |
A |
B |
C |
D |
E |
F |
G |
|
ST-01 |
40 |
24 |
16 |
4.3 |
25 |
20.5 |
G1/8 " |
|
ST-02 |
50 |
35 |
22 |
5.5 |
35 |
25 |
G1/4 " |
|
ST-03 |
70 |
48 |
35 |
7 |
50 |
42 |
G3/8 " |
|
ST-04 |
70 |
48 |
35 |
7 |
50 |
42 |
G1/2 " |
|
ST-06 |
110 |
72 |
40 |
7 |
70 |
58 |
G3/4 " |
|
ST-08 |
110 |
72 |
40 |
7 |
70 |
58 |
G1 " |
저장성 닝보시 시커우 공압 산업 단지 싱자 로드 1호, 우편번호: 315502(No 1.Xingjia Road, Pneumatic industrial park, Xikou,Ningbo, Zhejiang Zip code 315502)
+86-574-88869818
+86-574-88869826
+86-574-88869817
+86-574-88869816
+86-574-88869833
Royshan@jelpc.com
저작권은 Ningbo Jiaerling Pneumatic Machinery Co.,Ltd.. 모든 권리 보유.
중국 비례 밸브 제조업체


